گاما رو نصب کن!

{{ number }}
اعلان ها
اعلان جدیدی وجود ندارد!
کاربر جدید

جستجو

پربازدیدها: #{{ tag.title }}

جستجوهای پرتکرار

میتونی لایو بذاری!

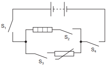
The circuit in the diagram contains four switches, S₁, S₂, S₃ and S₄.

Which three switches must be closed for the heater to work?

1 ) 

S₁, S₂ and S₃

2 ) 

S₁, S₂ and S₄

3 ) 

S₁, S₃ and S₄

4 ) 

S₂, S₃ and S₄

تحلیل ویدئویی تست

منتظریم اولین نفر تحلیلش کنه!